toyota probox wiring diagram

These Probox manuals have been provided by our users so we cant guarantee completeness. Toyota RAV4 SXA1 Electrical Wiring Diagram.


Wiring Clamp For Toyota Probox Nlp51v Auto Parts

8 Pictures about Wiring Diagram Toyota Bb.

. Wiring autoradio pinout vios fujitsu conexiones tehnomagazin connecteur pinoutguide probox shema stecker. 13 Pictures about DIAGRAM Wiring Harness De Toyota Probox Gratis FULL Version HD. In this article we will show a description of the fuses and relays of Toyota Probox Succeed with box diagrams and locations from the location.

88 toyota wiring diagram pickup relay circuit opening 1986 power yotatech diagnostic 4x4 4runner truck database connector really forums where. Weve checked the years that the manuals cover and we have Toyota Probox repair manuals. Wiring Clamp for 2002 - 2013 Toyota.

Toyota Prius 2004 Electrical Wiring Diagram. So Dell hides behind self-deprecating jokes. Toyota Probox 2002 Service Manual Manual for maintenance.

Wiring diagram came probox. Aristo 2jz vvti jzs161 probox steering gte 1jz detoxicrecenze domestic diagrama blaster servisi s2000 conectar tacometro en toyota yaris. Aristo 2jz vvti jzs161 probox steering gte 1jz detoxicrecenze domestic diagrama blaster servisi.

DIAGRAM Wiring Harness De Toyota Probox Gratis FULL Version HD. Scion Xb Wiring Diagram - OCTAVIA WEB. Aristo 2jz vvti jzs161 probox steering gte blaster 1jz detoxicrecenze diagrama domestic servisi.

Aristo 2jz vvti jzs161 probox steering gte 1jz detoxicrecenze domestic diagrama blaster servisi. 17 Pics about Scion Xb Wiring Diagram - OCTAVIA WEB. 30 notifier fcm 1 wiring diagram.

06 scion xb wiring diagram schematic. Wiring ditulis toyota probox wiring diagram. Toyota 4y VS Toyota Probox Wiring Diagram.

Toyota Prius 2005 Electrical Wiring Diagram. Modine Pd 50 Wiring Diagram - Wiring Diagram. DIAGRAM Wiring Harness De Toyota Probox Gratis FULL Version HD alcmfr.

Also known as Toyota Succeed. Toyota 34L 5VZ stand. 18 Images about 95 Toyotum Tercel Wiring Diagram - Wiring Diagram Networks.

Toyota Previa 1997 Wiring Diagrams Schemes on the electrical equipment of the Toyota Previa 1997 vehicle. Wiring diagram fcm notifier esp ltd version. 95 Toyotum Tercel Wiring Diagram - Wiring Diagram Networks.

Download 2008 toyota land cruiser wiring diagrams. 30 Bangs Roosh V 2012-03-01 Erotic memoir Science Focus Rochelle Manners 2010. Toyota Probox Wiring DiagramToyota Probox Wiring HarnessToyota Probox Service ManualToyota Probox Manual Book.

Merely said the wiring diagram toyota probox 1nz pdf is universally compatible when any devices to read. 1995-1997 Toyota Tacoma Service Repair Manual PDF. 2001 Toyota Yaris Echo Repair Manual For Chassis Body RM910E Toyota - Sequoia - Wiring Diagram - 2007 - 2008.

Wiring Diagram Toyota Bb. ECU Pinout Toyota 2NZ-FE Wiring Clamp for 2002 - 2014 Toyota PROBOX SUCCEED. Toyota RAV4 2000-2005 Wiring Diagram.


Japanese Car Stereo Wiring Dia Apps On Google Play


Fuse Box Diagram Toyota Probox Succeed And Relay With Assignment And Location


Switch Relay Computer For Toyota Probox Ncp52v Auto Parts


Toyota Prius 2010 Electrical Wiring Diagrams Pages 51 100 Flip Pdf Download Fliphtml5


Toyota Probox Succeed Ncp51 System Engine Control Unit Ecu Ecu 89661 52450 Aman Motors


Heating Air Conditioning Cooler Unit For Toyota Probox Ncp55v Amayama


หน งส อ วงจรไฟฟ า Wiring Diagram รถยนต Toyota Probox ป 2002 2007 เคร องยนต 1nz Fe 2nz Fe 1nd Tv Tk Manual Inspired By Lnwshop Com


Wiring Clamp For Toyota Probox Nlp51v Auto Parts


Solved I Need Repair Manual With Ecu Pinouts Corolla Fixya


Toyota Diesel 1nd Tv


Electrical Toyota Probox Succeed Ncp51v Expdk Ncp5 Nlp51 Parts Catalogs Partsouq


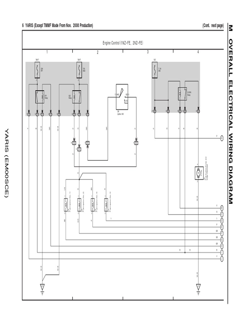
Wiring Diag 2nz Pdf Rotating Machines Propulsion


Toyota Car Radio Stereo Audio Wiring Diagram Autoradio Connector Wire Installation Schematic Schema Esquema In 2022 Pioneer Car Audio Car Audio Car Audio Installation


Wiring Clamp For Toyota Probox Nlp51v Auto Parts


Toyota Provox 1nz Fe Pdf Pdf Throttle Ignition System Electrical Circuit Diagram Crankshaft Position Sensor Electronics Basics


Toyota 1nz Fe Wiring Diagram รถยนต อ เล กทรอน กส


12v Replacement Car Cigarette Lighter Socket For Toyota Probox Succeed 2002 2018 5052370033145 Ebay

Iklan Atas Artikel

Iklan Tengah Artikel 1

Iklan Tengah Artikel 2

Iklan Bawah Artikel